Адрес:
г.Шымкент
ул. Толеби, 41а

Звоните Пн-Пт: 9 - 18

+7(700)0818881
Заказать звонок сейчас

Меню сайта

Хит
Скидка
Новинка
На заказ
Дымосос Д №12 1 исполнение
  • Производительность: 64000 м³/ч ;

  • Полное давление: 2450 Па ;

  • Исполнение: 1 конструктивная схема (рабочее колесо напрямую соединено с двигателем);

Заказать в 1 клик

Дымосос Д №12 для котлов изготавливается по 1-ой конструктивной схеме (соединение рабочего колеса с двигателем напрямую) и по 3-ей схеме (рабочее колесо соединяется с электродвигателем при помощи соединительной муфты) исполнения. Полное давление 2450 Па, производительность по воздуху 64000 м3/ч, по исполнению Д-12 делятся на правые и левые (по направлению вращения рабочего колеса, если смотреть со стороны электропривода). Котельный дымосос Д №12 одностороннего всасывания предназначен для обеспечения стабильной подачи приточного воздуха к топочным камерам котлов с уравновешенной тягой, в газомазутных котельных установках дымососы могут работать не только на вдув, но и на утилизацию дыма с максимально допустимой температурой рабочей среды до +200°С.

Описание

Технические характеристики Дымососы Д №12 , исполнение 1

Температура перемещаемой среды, °ССкорость вращения, об/мин.Номинальная мощность, кВтНоминальный ток при 380В (50 Гц), АТип электродвигателя *Производ. Q min, тыс. м3/чПроизвод. Q max, тыс. м3/чПолное даление Pv min, ПаПолное давление Pv maх, ПаМасса вентилятора, кг
2007503778250S81549125015501420
2001 00075142280S61864210024501610

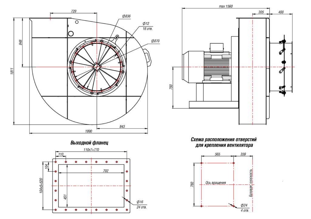
Габаритные и присоединительные размеры Д №12, Исполнение 1

Аэродинамические характеристики Д №12, Исполнение 1

Габаритные и присоединительные размеры Д №12, Исполнение 1, зависящие от положения корпуса

Акустические характеристики Д №12, Исполнение 1

Частота вращения, об/минLpi, Гц 125Lpi, Гц 250Lpi, Гц 500Lpi, Гц 1000Lpi, Гц 2000Lpi, Гц 4000Lpi, Гц 8000Lpa, дБА
750969810099999693104
1000103105106106105103100110

Скачайте
коммерческое
предложение

Выберите куда вам удобнее отправить КП?

Cогласен с условиями политики конфиденциальности данных

Обновлен:
13.07.2022

Написать